Contact Us
- 1289 Tanjialing West Road, Lanjiang Street, Yuyao City, Zhejiang Province, China
- humphreyzhu@nbc-relays.com
- +86-574-62824561
5 ampere communication relay
◆ Low power consumption
◆ High sensitivity
◆ Miniature,light weight
◆ Fit for automatic remote control,communication devices,RF control,toys,etc.
◆ Dimension: 15.5*11*11.5mm
◆ It is railway signaling relays
Description
1 Product Survey of 5 ampere communication relay
◆ Low power consumption
◆ High sensitivity
◆ Miniature,light weight
◆ Fit for automatic remote control,communication devices,RF control,toys,etc.
◆ Dimension: 15.5*11*11.5mm
◆ It is railway signaling relays
Designation way
BS401 12 S C 20
1 2 3 4 5
1, Model No.: BS401
2, Rated Coil Voltage: 5V, 6V, 9V, 12V, 24V(DC)
3, Package Type: S: Sealed
4, Contact Form: A:NO B:NC C:SPDT
5, Coil Power Consumption: 20:0.2W, 36:0.36W, 45:0.45W
2 Parameter diagram of 5 ampere communication relay
| Contact Rating | |||
| Contact Form | 1A:NO; 1B:NC; 1C:SPDT | ||
| Contact Material | Ag AgNi | ||
| Contact Load Capacity | 1A, 2A,3A, 5A/125VAC,30VDC | ||
| Switching Power Max. | 90W 375VA | ||
| Switching Voltage Max. | 60VDC 250VAC | ||
| Switching Current Max. | 5A | ||
| Contact Resistance | ≤100mΩ | IEC 255-7 3.12 | |
| Life expectancy | Electrical | 10 5 | IEC 255-7 3.30 |
| Mechanical | 10 7 | IEC 255-7 3.31 | |
Coil Rating(20℃) | |||||||
Rated Coil Voltage (VDC) | Coil Voltage Max. | Pick up(<VDC) | Drop out (>VDC) | Coil Resistance (1±10%)Ω | Power (W) | Operate Time (ms) | Release Time (ms) |
3 | 3.3 | 2.25 | 0.3 | 45 | 0.2 | ≤5 | ≤5 |
5 | 5.5 | 3.75 | 0.5 | 125 | |||
6 | 6.6 | 4.5 | 0.6 | 180 | |||
9 | 9.9 | 6.75 | 0.9 | 405 | |||
12 | 13.2 | 9.0 | 1.2 | 720 | |||
24 | 26.5 | 18.0 | 2.4 | 2880 | |||
3 | 3.3 | 2.25 | 0.3 | 25 | 0.36 | ≤5 | ≤5 |
5 | 5.5 | 3.75 | 0.5 | 69.4 | |||
6 | 6.6 | 4.5 | 0.6 | 100 | |||
9 | 9.9 | 6.75 | 0.9 | 225 | |||
12 | 13.2 | 9.0 | 1.2 | 400 | |||
24 | 26.5 | 18.0 | 2.4 | 1600 | |||
3 | 3.3 | 2.25 | 0.3 | 20 | 0.45 | ≤5 | ≤5 |
5 | 5.5 | 3.75 | 0.5 | 56 | |||
6 | 6.6 | 4.5 | 0.6 | 80 | |||
9 | 9.9 | 6.75 | 0.9 | 180 | |||
12 | 13.2 | 9.0 | 1.2 | 320 | |||
24 | 26.5 | 18.0 | 2.4 | 1280 | |||
Technical Rating | ||
Insulation Resistance | Min.100MΩ(500VDC) | IEC 255-5 |
Dielectric Strength | ||
Between contacts | 50Hz 500VAC 1min | IEC 255-5 |
Between contacts and coil | 50Hz 1000VAC 1min | IEC 255-5 |
Shock Resistance | 100m/s 2 11ms | IEC 68-2-27 test Ea |
Vibration Resistance | 10Hz~55Hz double amplitude 1.5mm | IEC 68-2-6 test Fc |
Leading-out Terminal Strength | 5N | IEC 68-2-21 test Ua1 |
Weldability | (235±2)℃ ,(3±0.5)s | IEC 68-2-20 test Ta way 1 |
Ambient Temperature | ﹣30℃~70℃ | |
Relative Humidity | 85%(40°) | IEC 68-2-3 test Ca |
Weight | 3.5g |
Technical Rating | ||
Insulation Resistance | Min.100MΩ(500VDC) | IEC 255-5 |
Dielectric Strength | ||
Between contacts | 50Hz 500VAC 1min | IEC 255-5 |
Between contacts and coil | 50Hz 1000VAC 1min | IEC 255-5 |
Shock Resistance | 100m/s 2 11ms | IEC 68-2-27 test Ea |
Vibration Resistance | 10Hz~55Hz double amplitude 1.5mm | IEC 68-2-6 test Fc |
Leading-out Terminal Strength | 5N | IEC 68-2-21 test Ua1 |
Weldability | (235±2)℃ ,(3±0.5)s | IEC 68-2-20 test Ta way 1 |
Ambient Temperature | ﹣30℃~70℃ | |
Relative Humidity | 85%(40°) | IEC 68-2-3 test Ca |
Weight | 3.5g |
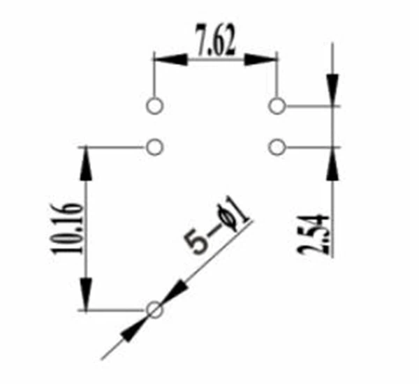
3 Dimension and electrocircuit of 5 ampere communication relay

Outline Dimensions

Bottom View Layout

Wiring Diagram(Bottom View)
Engineering Data

4. FAQ
Q: Can you do OEM and ODM?
A: Yes, OEM and ODM are both acceptable. The material, color, style can customize, the basic quantity we will advise after we discuss.
Q: Can we be your agent?
A: Yes, welcome to cooperation with this. We have big promotion in the market now. For the details please contact with our overseas manager.
Hot Tags: 5 ampere communication relay, China, suppliers, manufacturers, factory, made in China
You Might Also Like















